The
RCB or residual circuit breaker is a protective device to sense the earthing
fault in circuit. Basically RCB is used in circuit to protect human life from
electrocution or electric shock.
If a
person is somehow electrified, the RCB will sense it and disconnect the circuit.
If somehow an electrical equipment like motor or utility like panel is
electrified, hence is grounded or earthed – RCB will detect it and disconnect
the circuit.
Why we need to use RCB - Residual circuit breaker
As we
know that only 40 mili amp current is enough to kill a strong man, so saving
human life from lethal electric shock is an obvious thing to consider.
Generally
circuit breaker are of minimum 5 amp rating, so as usual circuit breaker is
assigned to protect the circuit from overload or short circuit other than human
from electric shock.
RCB or
residual circuit breaker is a special purpose circuit breaker to protect human
being from electric shock.
The theory behind RCB – residual circuit breaker
A
healthy circuit has unique characteristics - the phase current and the return
path neutral current are same. Now if a human (who is earthed) touch a live
circuit or a part of live circuit is somehow connected to a metal part or panel,
which is earthed, there will be another path to normal current.
In
this case, the phase current and neutral current will not be same. The theory
of RCB lies here- to detect if the phase current and neutral current has any
difference, if difference is found of a certain level – it will disconnect the
circuit. Its detection sensitivity starts from 5 mili amp.
As for
construction- the RCB is nothing but a differential current transformer for
single phase ground fault detection and for three phase to watch neutral
(discussed below) it is a simple ring type current transformer. It is set
around neutral and phase wires but the earthing wire is kept free.
The
main principle of RCB- residual circuit breaker / a ground fault relay is to
detect the imbalanced current where general circuit breaker detects excessive
current.
RCB connection for single phase and three phase
As
discussed above at normal condition as the phase current and neutral current
both are same but of opposite direction- their difference will be zero- taking
in to consideration of some fluctuations. If somehow a fault occurs there will
be some difference detected by this differential current transformer.
For a
single phase circuit both phase and neutral wire are led in to through RCB but
in case of three phase circuit there are two options -firstly to watch the
three phase wire and secondly to watch the neutral wire. As the three phases
are of 120 electrical difference, the sum of their current will be zero under
normal condition but in case of a fault- this difference will break.
The
neutral alone can be watched in case of transformer or alternator. Under normal
condition, the neutral has zero current, but under faulty condition like a
phase is grounded by human or by other means the three phase will be imbalanced
and there will be current in the neutral. This can be detected by RCB.
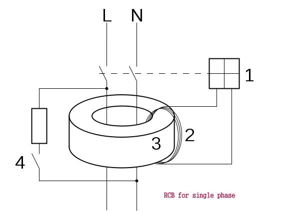
RCB for single phase
                            Fig: Residual Circuit
breaker or ground fault relay for single phase
RCB connected for three phase
                                                Fig: RCB connected
around three phase wires
RCB connected for three phase neutral wire
                                                           Fig: RCB
connected to neutral point



 
No comments:
Post a Comment